Tungsten Screw Tungsten Heater.
Tungsten Screw Tungsten Heater.
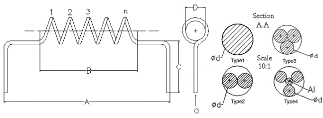
Specifications : Type : Single-stand or multiple-strands£¨2-3£© in different shapes £¨all the type may find at www.tungsten-heater.com.cn£© Material : Doped Tungsten Wire Properties : Good corrosion resistance, better high-temperature performance and long using life Applications: mirror industry, kinescope industry, vacuum plating, metal vaporization etc..
Drawing No.005 of 28

Drawing No.006 of 28

If you need any more details of the above news and/or products, please visit Chinatungsten Online, or contact us directly.
Disclaimer: The article is only reflecting the opinions of the author. We have no responsibility to prove the originality and authenticity of the content, words and/or pictures. You readers should just take it as reference and check the details by yourselves. And the content is not a suggestion for investment decision. The investor takes his or her own risks if he or she operates accordingly. If you have any dissent about the contents above, please contact the relevant author, or the webmaster. We will try our best to assist the dealing of the related issues. Thanks for your visit and cooperation.
|